Техническое описание
DB — тензометрический датчик типа минисенсор.
Датчики минисенсоры применяются для изготовления весов и весоизмерительных систем на одном датчике, в основном применяется при изготовлении торговых, карманных, платформенных, напольных, кухонных весов, а также весов типа кантер, весов для младенцев, весов в ванную комнату. Полимерное покрытие тензорезисторов может обеспечивать класс защиты минисенсора до IP65. Выбор датчика зависит от размеров платформы, точности и условий использования весов.
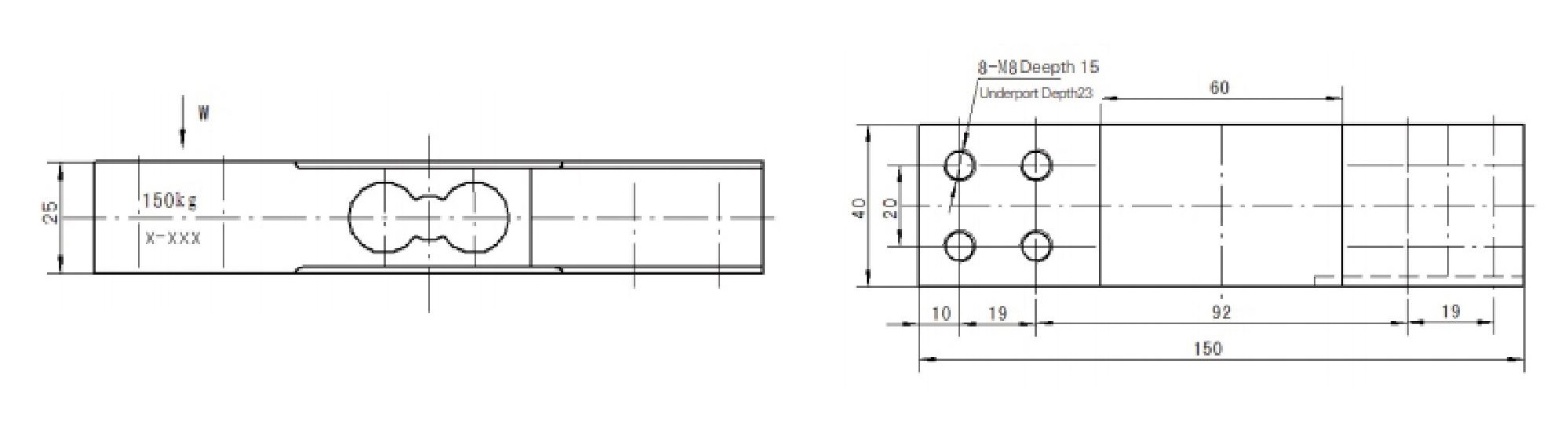
Габаритные размеры
Техническая документация
| Характеристики | |
| Гарантия | 1 год |
| Комбинированная ошибка | 0,02 |
| Материал исполнения | алюминиевый сплав |
| Нагрузка | 150кг |

