Техническое описание
BM24R — тензометрический датчик мембранного типа (шайба).
Мембранный тип датчиков применяется для изготовления бункерных, автомобильных, вагонных весов, а также в других весодозирующих системах, где обычные датчики не могут быть вмонтированы ввиду их больших габаритных размеров. Благодаря высоким метрологическим характеристикам этот тип датчиков находит широкое применение во многих промышленных системах весоизмерения. Тензодатчик BM24R может применяться в тяжелых промышленных условиях (щелочных и кислотных средах). Корпус выполнен из нержавеющей стали с применением лазерной сварки, класс защиты тензодатчика IP68 (полная пыле- и влагозащищенность). Рекомендован для применения на мясокомбинатах и молокозаводах. Компактность и небольшая высота BM24R обеспечивают быструю и надежную установку.
Таблица взаимозаменяемости
VISHAYRLC
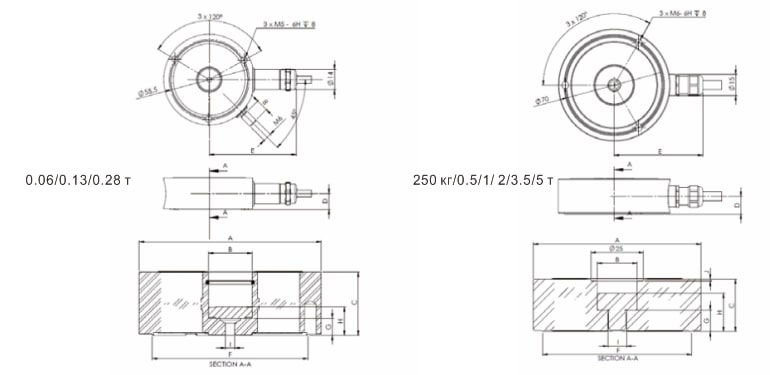
Габаритные размеры
Техническая документация
3D модель
| Характеристики | |
| Гарантия | 30 месяцев |
| Класс защиты | IP68 |
| Материал исполнения | нержавеющая сталь |
| Нагрузка | от 60кг до 60т |

