Техническое описание
DBM14G — тензометрический датчик стержневого (колонного) типа.
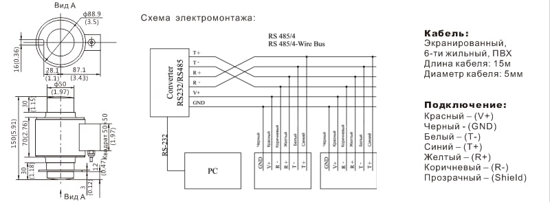
Стержневой тип датчиков применяется для изготовления/модернизации автомобильных, вагонных, многотонных бункерных весов, а также в испытательных стендах и контрольно-измерительном оборудовании. Благодаря высоким метрологическим характеристикам этот тип датчиков находит широкое применение во многих промышленных системах весоизмерения. Тензодатчик DBM14G может применяться в тяжелых промышленных условиях (щелочных и кислотных средах). Корпус выполнен из нержавеющей стали с применением лазерной сварки, класс защиты тензодатчика IP68 (полная пыле- и влагозащищенность). Длина кабельной разводки от цифрового преобразователя до весовой системы может составлять до 1000 метров.
Габаритные размеры
Техническая документация
| Характеристики | |
| Гарантия | 30 месяцев |
| Класс защиты | IP68 |
| Материал исполнения | нержавеющая сталь |
| Нагрузка | от 10т до 50т |

