Техническое описание
НМ9В — балочный двухопорный тензометрический датчик на изгиб.
Балочный двухопорный тип датчиков применяется для изготовления/модернизации автомобильных и вагонных весов, систем взвешивания на транспортных средствах, систем взвешивания цистерн, для измерения осевой нагрузки автотранспорта, также могут применяться в различном электронно-весовом оборудовании. Благодаря высоким метрологическим характеристикам этот тип датчиков находит широкое применение во многих промышленных системах весоизмерения, может применяться вместо стержневых (колонных) датчиков. Корпус НМ9В выполнен из стали с никелевым покрытием с применением лазерной сварки, класс защиты тензодатчика IP68 (полная пыле- и влагозащищенность).
Таблица взаимозаменяемости
KeliQS*
Keli
QS*
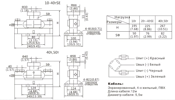
Габаритные размеры
Техническая документация
3D модель
| Характеристики | |
| Гарантия | 24 месяца |
| Класс защиты | IP68 |
| Материал исполнения | сталь с никелевым покрытием |
| Нагрузка | от 10т до 50т |

